Máy biến áp nối đất còn được gọi là máy biến áp tiếp địa. Đây là một loại máy biến áp phụ trợ, tạo ra dòng sự cố nối đất (khi xảy ra) về điểm trung tính để bảo vệ rơ-le trong hệ thống điện ba pha. Nó cung cấp đường dẫn nối đất cho hệ thống đấu sao (wye/star) không nối đất hoặc hệ thống đấu tam giác (delta).
Máy biến áp nối đất được thiết kế để tạo điểm trung tính nhân tạo cho các hệ thống điện ba pha không nối đất. Công suất kVA của máy biến áp tiếp địa được xác định dựa trên:
- Điện áp dây-trung tính bình thường
- Kích thước dòng sự cố trong một khoảng thời gian nhất định (thường là vài giây hoặc vài phút).
Trong trường hợp sự cố chạm đất, máy biến áp này cung cấp đường dẫn trực tiếp xuống đất, hạn chế dòng sự cố và điện áp quá độ. Máy biến áp nối đất thường xử lý dòng ngắn mạch nối đất cho đến khi máy cắt mạch loại bỏ sự cố, do đó chúng có định mức thời gian ngắn.
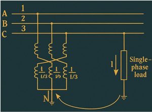
Trong hệ thống ba dây, mạng phân phối của điện lực và một số bộ biến đổi điện tử công suất sử dụng máy biến áp nối đất làm điểm trung tính. Sơ đồ dưới đây cho thấy máy biến áp hai cuộn dây ba pha với cuộn dây 1 và 2 được ghép kiểu zig-zag. Hệ thống ba dây với tải một pha giữa pha C và đất được minh họa. Dòng điện tải I được trả về nguồn qua đất và trung tính của máy biến áp nối đất.

Máy biến áp nối đất có trở kháng thứ tự không thấp và trở kháng thứ tự dương cao nhờ kết nối zig-zag và cực tính ngược của cuộn dây trên và dưới. Do đó, chỉ có dòng thứ tự không đi qua mỗi cuộn dây. Dòng thứ tự không là tập hợp ba dòng pha có cùng biên độ và cùng pha. Dòng trung tính I chia thành ba dòng bằng nhau I/3. Ba dòng trong máy biến áp nối đất tương đương nhau, giữ điểm trung tính ổn định và cân bằng điện áp dây-trung tính.
Máy biến áp nối đất được mô hình hóa bằng ba máy biến áp hai cuộn dây tỷ số điện áp 1:1. Xem xét sáu cuộn dây giống nhau:
- R – Điện trở cuộn dây
- X – Điện kháng rò cuộn dây
- Rmag, Xmag – Điện trở và điện kháng nhánh từ hóa song song
Trở kháng thứ tự dương Z1 và thứ tự không Z0 của máy biến áp nối đất:
- Z1 = R1 + jX1 = 3[jRmagXmag / (Rmag + Xmag)]
- Z0 = R0 + jX0 = 2(R + jX)
Điện kháng thứ tự không X0 là thông số quan trọng nhất của máy biến áp nối đất. Giữ X0 thấp để giảm mất cân bằng điện áp.
Tiêu chuẩn IEEE 142 (Green Book): Thực hành nối đất cho hệ thống điện công nghiệp và thương mại.
Mục đích của máy biến áp nối đất Máy biến áp nối đất cung cấp đường nối đất cho hệ thống không nối đất hoặc được sử dụng khi dây trung tính của hệ thống bị hỏng và không còn khả dụng. Các chức năng chính:
- Giảm biên độ điện áp quá độ khi máy biến áp được nối đất.
- Cung cấp đường nối đất có trở kháng thấp để điểm trung tính của hệ thống duy trì gần tiềm năng đất.
- Cung cấp nguồn dòng khi xảy ra sự cố nối đất.
- Trong một số trường hợp đặc biệt, kết nối tải pha-trung tính.
Tại sao cần máy biến áp nối đất? Việc nối đất đúng cách các thành phần hệ thống điện giúp tăng khả năng tiếp cận, mức cách điện cơ bản, khả năng chịu quá áp và khả năng chịu ngắn mạch. Tuy nhiên, một số phần của hệ thống có thể thiếu kết nối trung tính cần thiết, đòi hỏi lắp thêm máy biến áp nối đất.
Máy biến áp nối đất tạo kết nối trung tính cho các hệ thống ba pha không nối đất như hệ thống đấu tam giác hoặc sao không nối đất. Nếu xảy ra sự cố chạm đất trong hệ thống ba pha cách ly, dòng sự cố thứ tự không sẽ không có đường về do thiếu kết nối đất. Khi đó, hệ thống vẫn hoạt động nhưng điện áp trên các dây không sự cố sẽ tăng lên √3 lần (1,73), gây quá áp 173% lên cách điện của máy biến áp và các thiết bị khác.
Điện áp đột biến thường được kiểm soát bằng thiết bị bán dẫn như MOV, nhưng ngay cả khi không có điện áp đánh thủng lớn, các thiết bị này vẫn có thể bị hỏng do nhiệt từ dòng rò trong điều kiện sự cố. Máy biến áp nối đất ngăn chặn tình trạng này bằng cách tạo đường dẫn dòng sự cố xuống đất.
Tóm lại, máy biến áp nối đất được sử dụng để:
- Kết nối tải pha-trung tính.
- Tạo đường cho dòng sự cố thứ tự không khi xảy ra sự cố chạm đất.
- Tạo đường cho các sóng hài bậc ba từ dòng kích từ.
- Duy trì trung tính gần tiềm năng đất bằng cách nối ngắn qua kênh trở kháng thấp.
- Bảo vệ thiết bị khỏi quá áp do sự cố nối đất tái đánh lửa.
Đặc điểm của máy biến áp nối đất
- Thường ở trạng thái không tải trong thời gian dài khi hệ thống hoạt động bình thường.
- Khi xảy ra ngắn mạch nối đất, bị quá tải tạm thời.
- Dòng tải qua cuộn dây là dòng thứ tự không, nên trở kháng thứ tự không quan trọng hơn.
Các loại máy biến áp nối đất Phân loại theo kết nối:
- Hệ thống nối đất trực tiếp (Solidly Grounded)
- Hệ thống nối đất qua điện trở (Resistance Grounded)
Phân loại theo cuộn dây:
- Đấu sao (Ynd)
- Đấu zig-zag (Zn)
Hệ thống nối đất trực tiếp Kết nối thành phần hệ thống điện với máy biến áp nối đất. Lắp đặt đơn giản, tăng an toàn nhưng không hạn chế dòng sự cố vì máy biến áp có điện trở nhỏ.

Hệ thống nối đất qua điện trở Thêm điện trở nối đất vào trung tính của máy biến áp để hạn chế dòng sự cố, tạo hệ thống an toàn hơn. Giá trị điện trở phải đủ lớn để ngăn dòng sự cố lớn nhưng đủ nhỏ để giảm hư hỏng nhiệt.

Dựa trên cuộn dây
1). Cuộn dây đấu sao (Wye – Ynd) Máy biến áp nối đất kiểu đấu sao với hai cuộn dây được sử dụng rộng rãi và phổ biến vì nhiều lý do:

- Người ta cho rằng các bộ phận của máy biến áp hai cuộn dây dễ thay thế hoặc nâng cấp hơn sau khi bị hỏng.
- Các nhà thiết kế quen thuộc hơn với cấu tạo máy biến áp hai cuộn dây so với kiểu zig-zag. Do đó, máy biến áp hai cuộn dây sẽ ngày càng được ưa chuộng và sử dụng rộng rãi.
- Máy biến áp hai cuộn dây đấu sao có thể dùng cho tải phụ và đo lường, trong khi thiết kế zig-zag thì không.
2). Cuộn dây đấu Zig-Zag (Zn) Hình dạng kết nối zig-zag cho phép hạn chế dòng sóng hài bậc ba.
Nó cũng không cần cuộn dây phụ đấu tam giác để hoạt động, giúp giảm chi phí và kích thước máy biến áp.

Máy biến áp zig-zag khó thiết kế và không phải nhà sản xuất nào cũng cung cấp loại này.
Tiêu chuẩn IS 3043: Quy phạm thực hành nối đất.
Ưu điểm của máy biến áp nối đất
- Độ tin cậy cao của nguồn điện.
- Mức độ nhiễu với hệ thống thông tin và tín hiệu là không đáng kể.
Nhược điểm của máy biến áp nối đất
- Yêu cầu cách điện cao và chi phí lớn.
- Nối đất hồ quang có thể gây quá áp.
- Lựa chọn bảo vệ rơ-le nối đất phức tạp.
- Quá áp cộng hưởng của máy biến áp điện áp kiểu điện từ.
- Ngắt kết nối có thể gây quá áp cộng hưởng.
Cách chọn máy biến áp nối đất
Khi chọn máy biến áp nối đất, cần xem xét các thông số quan trọng sau:
- Điện áp hệ thống sơ cấp
Điện áp hệ thống là yếu tố thiết yếu. Khả năng chịu xung sét cũng cần tính đến. - Công suất kVA
Máy biến áp nối đất chỉ hoạt động trong thời gian ngắn khi xảy ra sự cố nối đất, nên nhỏ và rẻ hơn máy biến áp làm việc liên tục cùng công suất. - Thời gian & dòng sự cố
Dòng sự cố dự kiến phải được máy biến áp chịu đựng trong một khoảng thời gian mà không bị hỏng do nhiệt. - Dòng trung tính liên tục
Máy biến áp được tính theo dòng, không phải kVA. Dòng trung tính liên tục phải đi qua mà không làm ngắt thiết bị bảo vệ. - Trở kháng
Trở kháng có thể tính bằng ohm mỗi pha hoặc phần trăm. Khi xảy ra sự cố chạm đất một pha, điện áp các pha không sự cố không được vượt quá khả năng chịu quá áp tạm thời của thiết bị. - Kiểu đấu cuộn sơ cấp
Phải xác định kiểu đấu: Wye hoặc Zig-zag. - Tải phụ
Máy biến áp sơ cấp kiểu Wye hoặc Zig-zag có yêu cầu về tải phụ. - Đấu cuộn thứ cấp
Phải nêu rõ kiểu đấu (Delta hoặc Wye) và điện áp định mức.
Các yếu tố thiết kế máy biến áp nối đất
- Thân máy biến áp cần sơn đặc biệt.
- Xem xét vị trí lắp đặt (trong nhà hoặc ngoài trời). Ngoài trời cần bảo vệ thêm.
- Chọn dầu máy biến áp phù hợp: silicone, dầu khoáng hoặc ester tự nhiên.
- Thiết kế đầu nối kiểu live front hoặc dead front.
- Nhiệt độ tăng thường là 65°C nhưng có thể điều chỉnh theo vị trí và thông gió.
- Xem xét yếu tố môi trường như độ cao và lắp thiết bị bảo vệ.
- Nối đất qua điện trở yêu cầu điện áp định mức của điện trở trung tính phù hợp với điện áp dây-trung tính của máy biến áp.
- Kiểm tra dòng và thời gian chịu đựng của điện trở so với máy biến áp.
Ổn định sự cố chạm đất (E/F) bên phía Delta của máy biến áp sao-tam giác
Một sự cố chạm đất (E/F) trong hệ thống đấu tam giác nằm ngoài vị trí của biến dòng (CT) sẽ gây phân bố dòng điện trong các cuộn thứ cấp của CT vi sai, tránh cuộn tác động nếu máy biến áp nối đất kiểu Delta nằm ngoài vùng bảo vệ.
Máy biến áp nối đất kiểu zig-zag hoặc sao liên kết có trở kháng từ hóa bình thường cao, nhưng dòng sự cố E/F sẽ chạy trong các cuộn dây cùng lõi để triệt tiêu ampere-turns và giảm trở kháng.
Máy biến áp nối đất kiểu zig-zag có thể tạo điểm trung tính nhân tạo cho máy biến áp điện đấu tam giác.
Máy biến áp này có lõi gồm ba trụ. Mỗi cuộn dây pha trong kết nối zig-zag được chia làm hai nửa. Lõi máy biến áp có một nửa quấn trên một trụ và nửa còn lại quấn trên trụ khác.
- Nửa đầu của cuộn dây pha Đỏ quấn trên trụ thứ nhất, nửa còn lại trên trụ thứ ba.
- Nửa đầu của cuộn dây pha Vàng quấn trên trụ thứ hai, nửa còn lại trên trụ thứ nhất.
- Nửa đầu của cuộn dây pha Xanh quấn trên trụ thứ ba, nửa còn lại trên trụ thứ hai.
Ba cuộn dây này nối tại một điểm trung tính. Nếu bất kỳ pha nào trong hệ thống đấu tam giác bị sự cố, dòng sự cố thứ tự không sẽ lưu thông qua đất.
Thông thường, điện áp cuộn dây của máy biến áp nối đất bằng 1/√3 lần điện áp định mức mỗi pha của hệ thống.
Khi xảy ra sự cố chạm đất một pha trong hệ thống, thành phần thứ tự không của dòng sự cố sẽ đi qua đất và quay trở lại hệ thống điện qua điểm sao nối đất của máy biến áp, chia đều cho ba pha.

Như thấy trong hình, dòng điện trong hai nửa cuộn dây trên cùng một trụ lõi chạy theo hai hướng ngược nhau.
Từ thông do hai dòng này tạo ra sẽ triệt tiêu lẫn nhau. Vì dòng sự cố không làm tăng từ thông, nên không có sự thay đổi trong dφ/dt, cho thấy không có tác động nghẽn dòng sự cố.
Do đó, máy biến áp nối đất kiểu zig-zag duy trì điện áp cung cấp định mức ở dòng điện bình thường và ngay cả khi dòng sự cố chạm đất một pha lớn chạy qua nó.
Máy biến áp nối đất được thiết kế cho điện áp dây-dây.
Định mức dòng của máy biến áp này là dòng trung tính tối đa (tính bằng Ampe) trong trạng thái sự cố trong một khoảng thời gian nhất định.
Các máy biến áp được chế tạo để chịu dòng sự cố tối đa một cách an toàn thường có thời gian chịu đựng khoảng 30 giây.

